LPC-16巡線傳感器
產品簡介
LPC-16巡線傳感器,是光電漫反射式的巡線傳感器,分為紅、綠、藍光器件三種型號,分別適用于不同的基色與線條顏色區分。三種型號傳感器的光敏器件上分別設置有對應顏色的窄帶濾光片,并且光源都采用調制光輸出,使傳感器能有效抵擋環境光的干擾,能在復雜光環境及強光環境下穩定工作。傳感器具有環境標定功能,讓用戶能在新的環境下快速對傳感器進行標定,使傳感器立即適應新的環境,工作在最佳狀態。傳感器具有CAN總線及RS232通信接口。
圖紙下載 | LPC-16巡線傳感器
產品特性
- 紅、綠、藍光器件三種型號可選,最佳匹配用戶的基色與線條顏色區分
- 調制光源,光敏器件帶濾光片
- 環境標定功能
- CAN總線及RS232通信接口
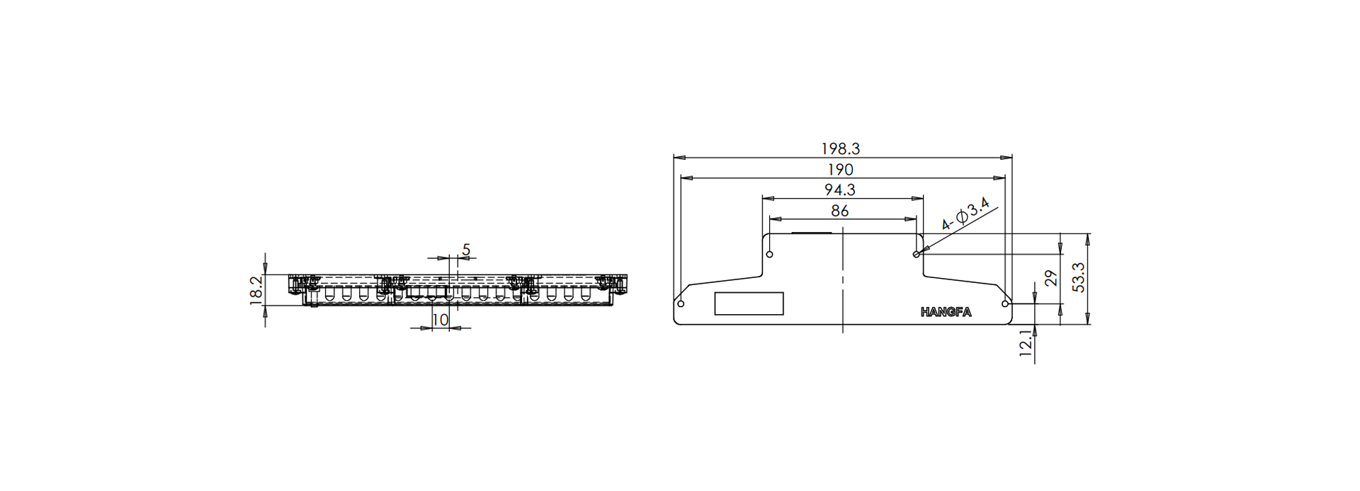
外形尺寸

規格參數
LPC-16R LPC-16G LPC-16B 光源顏色 紅色 綠色 藍色 濾光光敏顏色 紅色 綠色 藍色 主體尺寸 190×160×102mm 通信接口 CAN總線、RS232 輸入電壓 5V 光敏組件數量 16組 光敏組件間距 1cm 環境標定功能 支持 附件 電纜及接線端子、產品資料光盤
典型研究與應用領域
- 機器人平臺
- 工業自動化