ULB-1超聲測距傳感器
產品簡介
ULB-1超聲測距傳感器采用收發分體探頭,能對1cm~6m距離內的物體進行測距。具有i2C總線和UART(TTL電平)兩種數據接口,標配有安裝支架。
圖紙下載 | ULB-1超聲測距傳感器
產品特性
- 工業級品質
- 測距盲區小
- i2C總線和UART(TTL電平)兩種數據接口
- 支持最多32個傳感器模塊通過總線級聯
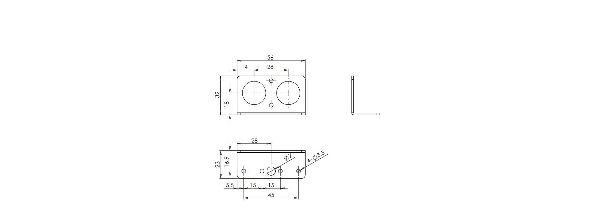
外形尺寸

規格參數
主體尺寸: | 56×28×32mm | 測距范圍: | 0.01~6m |
每個探頭最大測距頻率: | 50Hz | 傳感器類型: | 收發分體 |
通信接口: | i2C、UART串口(TTL電平) | 輸入電壓: | DC5V |
典型待機電流: | 30mA | 典型工作電流: | 600mA |
主要部件: | 測距模塊×1、安裝支架×1、端子插芯×10、光盤×1 |
典型研究與應用領域
- 機器人平臺
- 工業自動化