QL-08
產品簡介
QL系列全向輪(omni wheel)是精密型的輕載90°全向輪,每個從動小輪內嵌入兩個滾動軸承,旨在向客戶提供高精密度、高品質要求的產品,滿足客戶的各種精密應用。持續改良的QL系列全向輪,已經實現了從動小輪軸向零間隙,特別適合于各種小型機器人的驅動應用。
產品特性
- 從動小輪軸向零間隙
- 雙排多細分設計
- 小輪內嵌雙軸承設計
- 特選的優質橡膠
- 表面高溫烤漆處理
- 持續改良的QL系列
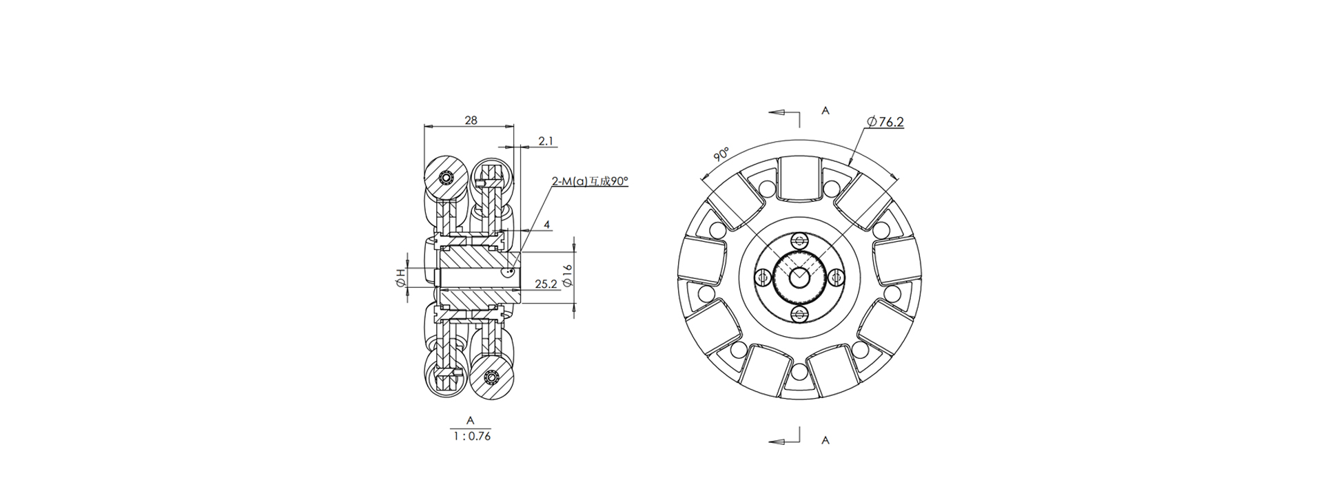
外形尺寸

規格參數
外徑 | 76.2(3")mm | 寬度 | 28mm |
側輪數 | 18 | 軸承數 | 36 |
軸承類型 | 滾動軸承 | 小輪材質 | 橡膠 |
輪轂材質 | 鋁合金 | 輪轂表面處理 | 雙層高溫烤漆 |
連接形式 | 平鍵/緊定螺釘 | 典型中心孔 | 4/5/6/8mm |
自重 | 140g | 負載能力 | 15Kg |
外徑 | 76.2(3")mm |
側輪數 | 18 |
軸承類型 | 滾動軸承 |
輪轂材質 | 鋁合金 |
連接形式 | 平鍵/緊定螺釘 |
自重 | 140g |
寬度 | 28mm |
軸承數 | 36 |
小輪材質 | 橡膠 |
輪轂表面處理 | 雙層高溫烤漆 |
典型中心孔 | 4/5/6/8mm |
負載能力 | 15Kg |